Wechsel des Zahnriemens und des Einspritzpumpenriemens beim Audi A6 2.5 TDI V6
In diesem Artikel wird der Wechsel des Zahnriemens (Steuertrieb) und des Zahnriemens für die Einspritzpumpe beschrieben. Das „Patientenfahrzeug“ ist ein Audi A6 2.5 TDI V6, Baujahr 2001 mit Automatikgetriebe (Motorkennbuchstabe AKE). Der Arbeitsablauf gilt auch für den Zahnriemenwechsel bei den Motoren AKN, AFB, AYM, AKE, BCZ, BAU, BDH, BDG und BFC. Bei Fahrzeugen unterschiedlicher Baujahre kann es Abweichungen geben, die jedoch meist nur Karosserieteile betreffen.
| Teilesatz für Zahnriemen- und Pumpenriemenwechsel Audi A6 | ||
|---|---|---|
| Hersteller | Bezeichnung | Teilenummer |
| Wahler | Thermostat | 427487D |
| Elring | Wellendichtring (2 Stk.) | 325155 |
| INA | Spannrolle | 531030710 |
| INA | Spannrolle | 532016010 |
| Ruville | Umlenkrolle | 55701 |
| DAYCO | Keilrippenriemen | 4PK1238 |
| Gates | Keilrippenriemen | 6PK2403 |

Liste der Spezialwerkzeuge:
- Gegenhalter Nr. 3036;
- Absteckdorn Nr. T40011 (Kettenspanner);
- Zweiarm-Abzieher Nr. T40001;
- Kurbelwellen-Arretierdorn Nr. 3242;
- Spezialnuss 22 mm Nr. 3078;
- Nockenwellen-Lineale (Fixierplättchen) Nr. 3458;
- Absteckstift für Einspritzpumpe Nr. 3359.
Grundlegender Arbeitsablauf
Entfernen Sie zuerst die obere und untere Motorabdeckung sowie den Luftführungskanal des Luftfilters. Lösen Sie die Schläuche, die vom Ladeluftkühler kommen. Schrauben Sie anschließend die Befestigung des vorderen Motorlagers vom Ladeluftkühlerrohr ab.
Lösen Sie die Befestigungsschrauben des Klimakondensators und schwenken Sie ihn zur Seite, ohne die Leitungen zu trennen. Schrauben Sie die Befestigung der Ölleitungen des Automatikgetriebes ab und drücken Sie die Leitungen in Richtung Spritzwand. Trennen Sie die Kühlmittelschläuche und lassen Sie das Kühlmittel in einen geeigneten Behälter ab. Ziehen Sie die elektrischen Stecker der Scheinwerfer ab und hängen Sie den Bowdenzug der Motorhaubenverriegelung aus.


Lösen Sie die Schrauben des Schlossträgers und nehmen Sie die gesamte Frontmaske inklusive Kühler ab. Es ist nicht zwingend erforderlich, den Schlossträger in die „Servicestellung“ zu bringen – für ein komfortableres Arbeiten ist es besser, die Baugruppe komplett zu entfernen, um maximalen Platz zu schaffen. Daher wird empfohlen, die zusätzlichen 15 Minuten für das Ablassen des Kühlwassers und die Demontage des Kühlers samt Scheinwerfern zu investieren.



Beginnen Sie mit den Arbeiten auf der rechten Motorseite (in Fahrtrichtung). Entfernen Sie den Ansaugkanal, der zum Luftfilter führt.

Ziehen Sie den Stecker des Luftmassenmessers ab und nehmen Sie den Deckel des Luftfiltergehäuses ab.

Entfernen Sie das Luftrohr zwischen Ladeluftkühler und Turbolader.


Lösen Sie den Dieselfilter aus der Halterung, ohne die Schläuche und Sensorstecker zu trennen – legen Sie ihn einfach zur Seite. Dies ist notwendig, um Zugang zum Verschlussstopfen der Nockenwelle des rechten Zylinderkopfes zu erhalten.

Entfernen Sie den Verschlussstopfen am hinteren Ende der rechten Nockenwelle.

Der Stopfen wird bei der Demontage zerstört. Entfernen Sie ihn vorsichtig und achten Sie darauf, die Dichtfläche der Aufnahme (durch Pfeil markiert) nicht zu beschädigen.
Sollte kein neuer Stopfen zur Hand sein, kann der alte notfalls geglättet und mit hochwertiger Dichtmasse beidseitig wieder eingesetzt werden.
Wechsel zur linken Seite. Demontieren Sie die Vakuumpumpe und den Kühlmittel-Ausgleichsbehälter.




Stellen Sie den Kolben des dritten Zylinders auf OT (Oberer Totpunkt). Prüfen Sie zunächst, ob die „OT“-Markierung auf der Nockenwelle mittig durch den Öleinfüllstutzen sichtbar ist.


Entfernen Sie den Blindstopfen am Motorblock und setzen Sie den Kurbelwellen-Arretierdorn ein.


Überprüfen Sie, ob die Bohrung für den Arretierdorn mit der „OT“-Bohrung an der Kurbelwange fluchtet.
Wechsel des Einspritzpumpenriemens
Vor der Demontage des Pumpenriemens entfernen Sie: die obere Zahnriemenabdeckung, die Visco-Kupplung und den Lüfter.


Nehmen Sie ebenfalls die Keilrippenriemen für die Nebenaggregate und den Klimakompressor ab.




Entfernen Sie die Abdeckung des Riemens für die Nebenaggregate.




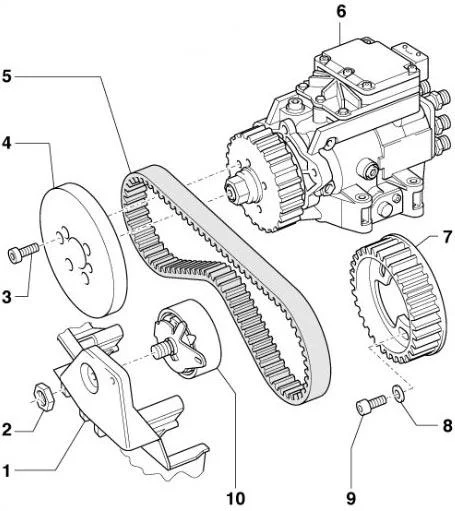
Ausbau des Einspritzpumpenriemens.
Entfernen Sie zuerst den Schwingungsdämpfer des Pumpenantriebs.


Achtung: Die zentrale Mutter der Nabe darf nicht gelöst werden. Stecken Sie den Absteckstift Nr. 3359 in das Zahnrad der Einspritzpumpe.

Lösen Sie mit dem Schlüssel Nr. 3078 die Mutter der Spannrolle des Pumpenriemens.

Entspannen Sie den Riemen, indem Sie den Spanner mit einem Inbusschlüssel im Uhrzeigersinn wegdrücken, und ziehen Sie die Mutter des Spanners leicht an.


Vorgehensweise beim Ausbau des Zahnriemens
Nachdem der Pumpenriemen entfernt wurde, beginnen Sie mit der Demontage des Zahnriemens (Steuerriemen). Lösen Sie zuerst die Schrauben des linken Nockenwellenrades.

Demontieren Sie das äußere Antriebsrad der Einspritzpumpe zusammen mit dem Riemen. Untersuchen Sie die Buchse des Spanners genau und stellen Sie sicher, dass sie intakt ist. Eine intakte Buchse dreht sich frei im Gehäuse und darf absolut kein Spiel haben.

Die Teflon- und Gummidichtungen müssen unbeschädigt sein. Lösen Sie anschließend die Schrauben der Riemenscheibe an der Kurbelwelle.


Nehmen Sie die Kurbelwellenscheibe ab (die zentrale Kurbelwellenschraube muss nicht gelöst werden). Entfernen Sie die Riemenscheiben von Servopumpe und Lüfter sowie die untere Zahnriemenabdeckung.





Halten Sie die Nockenwelle mit dem Gegenhalter Nr. 3036 fest und lösen Sie die Schrauben der Zahnräder beider Wellen.


Drehen Sie die Spannrolle mit einem 8-mm-Inbusschlüssel langsam im Uhrzeigersinn, bis die Löcher im Spannergehäuse und im Kolben fluchten.


Wenden Sie keine übermäßige Gewalt an, um den Spanner nicht zu beschädigen. Arretieren Sie den Kolben mit einem 2 mm Bohrer oder Stift. Entfernen Sie die Umlenk- und Spannrollen und anschließend den Zahnriemen selbst.


Prüfen Sie nach dem Entfernen der Riemen den Zustand der Wasserpumpe und des Thermostats.


Reinigen Sie alle Teile von Verschmutzungen und beginnen Sie mit dem Zusammenbau.
Einbau der neuen Wasserpumpe

Es ist ratsam, vor der Installation Dichtmasse auf die Dichtung der Wasserpumpe aufzutragen.

Installieren Sie anschließend den Thermostat. Auch hier wird empfohlen, das Thermostatgehäuse und die Dichtung mit Dichtmasse zu bestreichen.

Achten Sie beim Einbau darauf, dass das Entlüftungsventil des Thermostats auf die 12-Uhr-Position ausgerichtet ist.

Beginnen Sie mit der Montage des Zahnriemens. Stellen Sie sicher, dass die „OT“-Markierung mittig im Öleinfüllstutzen zu sehen ist.

Überprüfen Sie den korrekten Sitz des Kurbelwellen-Arretierdorns Nr. 3242.

Prüfen Sie, ob die Nockenwellen-Lineale Nr. 3458 korrekt sitzen.


Um das Einstellen der Markierungen zu erleichtern, verwenden Sie zum Drehen der Nockenwellen den Gegenhalter Nr. 3036. Sobald die Positionen stimmen, ziehen Sie die Nockenwellenräder mit dem Abzieher Nr. T40001 ab (lösen Sie diese vom Kegelsitz). Vergessen Sie nicht, das linke Rad von der Nockenwelle abzunehmen.


Prüfen Sie, ob sich das Zahnrad der rechten Nockenwelle auf dem Kegelsitz frei drehen lässt. Ziehen Sie die Schraube bei Bedarf handfest an. Installieren Sie die Spann- und Umlenkrollen des Zahnriemens.


Legen Sie den Zahnriemen in folgender Reihenfolge auf:
- Kurbelwelle;
- Rechte Nockenwelle;
- Spannrolle;
- Umlenkrolle;
- Wasserpumpe.

Legen Sie den linken Strang des Riemens auf das Rad der linken Nockenwelle und montieren Sie beides zusammen auf die Welle. Ziehen Sie dann die Zentralschraube der linken Nockenwelle handfest an. Stellen Sie sicher, dass sich das Rad auf dem Kegelsitz frei drehen kann und nicht verkantet ist.

Drehen Sie die Spannrolle mit einem 8-mm-Inbusschlüssel leicht im Uhrzeigersinn.


Entfernen Sie den Arretierstift des Spannerkolbens.

Setzen Sie anstelle des Inbusschlüssels einen Drehmomentschlüssel mit Zwei-Loch-Aufnahme an. Drehen Sie die Spannrolle damit gegen den Uhrzeigersinn mit einem Drehmoment von 15 Nm. Danach kann der Schlüssel entfernt werden.


Halten Sie die Nockenwellen mit dem Gegenhalter Nr. 3036 fest und ziehen Sie die Schrauben mit 75–80 Nm an.


Beginnen Sie mit dem Zusammenbau: Montieren Sie die Abdeckplatte für die Nebenaggregate und den Lüfter. Befestigen Sie vorher die neue Spannrolle für den Pumpenriemen an ihrem Platz und ziehen Sie die Befestigungsmutter handfest an.


Montieren Sie die untere Zahnriemenabdeckung sowie die Riemenscheiben von Servopumpe und Lüfter.


Achten Sie vor der Montage der Kurbelwellenscheibe auf die Übereinstimmung der Nasen und Aussparungen am Kurbelwellenzahnrad. Ziehen Sie die Schrauben der Riemenscheibe mit 22 Nm an.


Montage des Einspritzpumpenriemens:
Überprüfen Sie die korrekte Einstellung der Steuerzeiten. Montieren Sie alle Rollen an der Abdeckplatte.

Drücken Sie die Spannrolle der Pumpe mit einem 6-mm-Inbusschlüssel im Uhrzeigersinn in die unterste Position und ziehen Sie die Mutter handfest an.

Legen Sie den Pumpenriemen auf – er muss zusammen mit dem linken Zahnrad auf die Wellen von Nockenwelle und Pumpe geschoben werden. Achten Sie darauf, dass die Schrauben mittig in den Langlöchern stehen (verdrehen Sie das Zahnrad bei Bedarf). Schrauben Sie die Befestigungsbolzen handfest ein und prüfen Sie, ob sich das Zahnrad frei drehen lässt und nicht verkantet ist.

Lösen Sie die Mutter der Spannrolle mit dem Schlüssel Nr. 3078.


Drehen Sie den Spanner mit einem Inbusschlüssel gegen den Uhrzeigersinn, bis der Zeiger mit der Markierung übereinstimmt. Ziehen Sie die Spannmutter (37 Nm) und die Schrauben des Zahnrades (22 Nm) fest.


Entfernen Sie alle Arretierungen und drehen Sie die Kurbelwelle langsam zwei Umdrehungen im Uhrzeigersinn. Setzen Sie den Arretierdorn Nr. 3242 erneut in die Kurbelwelle ein. Prüfen Sie, ob sich die Lineale und der Absteckstift der Einspritzpumpe leicht einsetzen lassen. Kontrollieren Sie erneut die Übereinstimmung von Zeiger und Markierung am Spanner. Falls diese nicht übereinstimmen, stellen Sie die Spannung des Pumpenriemens erneut ein.
Montieren Sie die Vakuumpumpe der linken Nockenwelle, den Stopfen der rechten Nockenwelle und den Stopfen im Motorblock.




Montieren Sie den Schwingungsdämpfer der Einspritzpumpe.

Ziehen Sie die Befestigungsschrauben des Dämpfers mit 22 Nm an. Wenn Sie den Einspritzbeginn noch einstellen und eine dynamische Überprüfung mittels Diagnosegerät durchführen wollen, montieren Sie die oberen Zahnriemenabdeckungen noch nicht. Andernfalls setzen Sie die Abdeckungen auf.
Montieren Sie die Frontpartie (Kühler, Scheinwerfer) und schließen Sie die gesamte Elektrik an.



Starten Sie den Motor und lassen Sie ihn laufen, damit das Kühlsystem entlüftet wird.
Quelle: http://vwts.ru/forum/index.php?showtopic=163339&st=0
War dieser Artikel hilfreich?
Ihr Feedback hilft uns, unsere Inhalte zu verbessern.
Ähnliche Materialien
Diskussion (0)
Noch keine Kommentare!